Lampa zabiegowa SOLIS 60
Lampa zabiegowa SOLIS 60
Lampa zabiegowa SOLIS 60
Lampa zabiegowa SOLIS 60
Lampa zabiegowa SOLIS 60
Lampa zabiegowa SOLIS 60
Lampa zabiegowa SOLIS 60
Lampa zabiegowa SOLIS 60
Lampa zabiegowa SOLIS 60
Lampa zabiegowa SOLIS 60

Lampa zabiegowa SOLIS 60C

SOLIS60C
5 534,00 zł netto 5 976,72 zł brutto

Lampa diagnostyczna na pojedynczym zawieszeniu sufitowym, dająca idealne oświetlenie podczas badania klinicznego w gabinecie weterynaryjnym.

Zapytaj o produkt

Zapytaj o produkt

Lampa zabiegowa SOLIS 60C

Lampa zabiegowa SOLIS 60C

Lampa diagnostyczna na pojedynczym zawieszeniu sufitowym, dająca idealne oświetlenie podczas badania klinicznego w gabinecie weterynaryjnym.

Prosimy wypełnić poniższe pola formularza, biuro obsługi klienta skontaktuje się z Państwem najszybciej jak to możliwe.

* Pola wymagane

Anuluj lub 

 

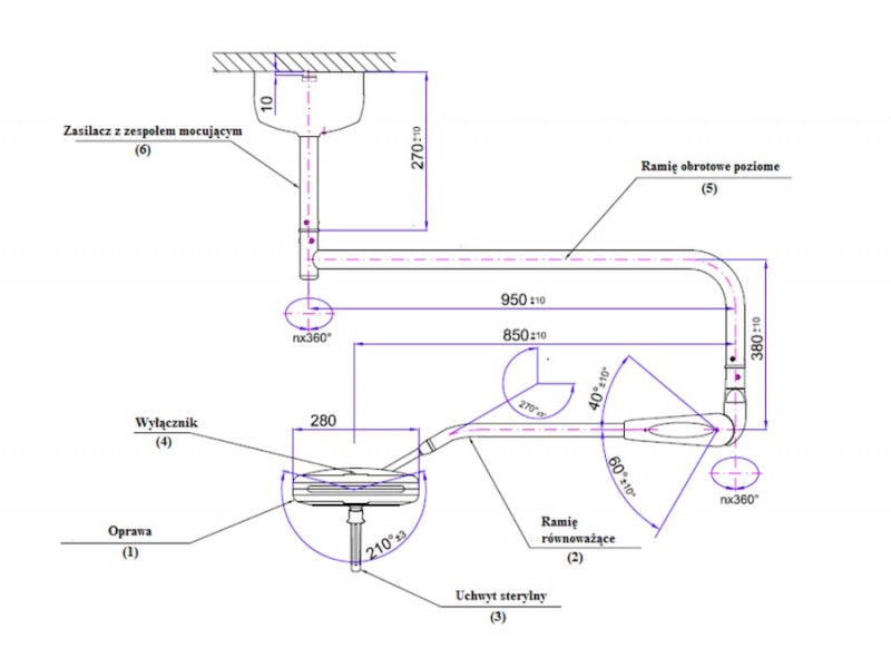
Lampy SOLIS 60 na pojedynczym zawieszeniu sufitowym świetnie się sprawdzą zarówno jako podstawowe źródło światła w diagnostyce, jak i przy zabiegach chirurgicznych lub ambulatoryjnych. Wyposażone są w oprawy oświetleniowe o średnicy 28cm z 18 diodami LED, dzięki czemu uzyskujemy źródło światła o długiej żywotności (do 50 000 h) oraz niskie zużycie prądu.

Zalety:

  • Bezdotykowy sterownik pozwalający na trójstopniową regulacje natężenia światła

  • Oprawa z tworzywa o bardzo wysokiej odporności mechanicznej

  • Sterylny uchwyt do manewrowania lampą

  • Szeroki zakres regulacji dzięki możliwości obrotu względem czterech osi

  • Konstrukcja lampy umożliwia łatwe czyszczenie, dezynfekcje i sterylizację ogólnie dostępnymi środkami

  • W kopule brak jest widocznych śrub i innych zagłębień mogących utrudniać jej mycie i dezynfekcję

  • klasa ochrony kopuły IP 43

Pobierz ulotkę informacyjną TUTAJ

Typ oprawy

SOLIS 60

Napięcie zasilania

24V DC

Natężenie oświetlenia w odległości 1m (Ec)

60 000 lx

Regulowane natężenie oświetlenia

bezdotykowe

50 ÷ 100%

Wskaźnik oddawania barw Ra

96

Temperatura barwowa

4400 K

Średnica pola roboczego d10

220 mm

Średnica pola roboczego d50

110 mm

Regulowana średnica pola roboczego

nie

Przyrost temperatury w okolicy głowy chirurga

< 1°C

Wgłębność oświetlenia L1+L2

130 cm

Pobór mocy przez oprawę

19 W

Klasa izolacji

I

Stopień ochrony obudowy

IP 43

Natężenie oświetlenia w odległości 1m
60 000lx
Wskaźnik oddawania barw Ra
96
Regulacja natężenie oświetlenia
50 do 100 %
Średnica pola roboczego z odległości 1m
22cm
Średnica głowicy
28cm
Ilość diod LED
18
Pobór mocy
19W
Brak opini

16 innych produktów w tej samej kategorii:

Produkt dodany do listy życzeń
Produkt dodany do porównania

Wykorzystujemy pliki cookies oraz inne podobne technologie, aby nasz serwis lepiej spełniał Twoje oczekiwania. Jeżeli nie wyrażasz zgody na wykorzystywanie plików cookies, możesz w każdej chwili zablokować je korzystając z ustawień swojej przeglądarki internetowej. Szczegółowe informacje znajdziesz w Polityce Prywatności i Regulaminie sklepu.